Bauanleitung
Autor: Elia Colombo #1947159
|
2. Obere Gehäusehälfte |
|
2.1 Schutzhülse aus Stahl (8) in die obere
Gehäusehälfte (5) mit sanfter Gewalt einsetzen. Ein wenig Schmierfett
auf den Gleitflächen ermöglicht ein sauberes einführen der Hülse.
|
![]() |
![]() |
2.2 Die Lager 13 und 14 in die soeben
eingesetzte Hülse einpressen.
|
|
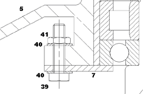
2.3 Die Klemmscheibe 7 auflegen und mit den 4 Bolzen
(39) durch die zwei Sicherungsscheiben 40 (oben und unten) mit der Mutter
41 festschrauben. An dieser Stelle ist passendes Werkzeug und eine winzige
Menge Fingerfertigkeit notwendig.
|
![]() |
![]() |
2.4 Den Planetenträger (6 ) mit allen angeschlossenen
Teilen durch Lager 14 und 13 einpressen (Zur Vereinfachung hier nur
ein Planet gezeichnet).
|
|
2.5 Befestigung und Sicherung des Planetenträgers: Erst
das Sicherungsblech (9) aufsetzen, dann mit einem Adapterwerkzeug die
Wellenmutter (10) verschrauben. Schließlich das Blech so umbiegen, dass
die Mutter gesichert ist. (Das Gehäuse ist weggedacht)Man beachte die
Nut im Planetenträger, gegen die sich der das Blech klemmt.
|
![]() |
|
Wenn das Getriebe bis jetzt etwa so aussieht...
...könnte bis hierher alles geklappt haben |
|